| Szam
 1/ do kazdych. sam chcialbym wiedziec jak to sie ma do oplacalnosci ich zastosowania w praktyce. to jest kwestia testow i badan nad konkretnymi rozwiazaniami, a co najmniej doglebnego przemyslenia.
 
 przeksztaltnik dla synchronicznego i klatkowego musi byc co najmniej na pelna moc. dla MEWek synchroniczny pewnie nieoplacalny, a ze MEWki nie musza np podtrzymywac mocy zwarciowej w sieci, dlatego wystarczy prostszy, tanszy, mniej awaryjny silnik klatkowy. Do tego wytwarzanie mocy biernej ZE w uproszczeniu nic nie kosztuje, zatem klatkowy bez przeksztaltnika. Jednak zeby oddac moc do sieci trzeba nim krecic ponad predkosc znamionowa o czym wiecie. I moze sie okazac, ze w pewnych okresach roku i w zaleznosci od uwarunkowan oplaca sie zainstalowac przeksztaltnik, ktory bedzie niejako zmniejszal czestotliwosc sieci widziana przez generator dzieki czemu bedzie on mogl ciagle generowac moc choc mniejsza. Majac dobry przeksztaltnik bedzie mial malo harmonicznych, a plusem jest mozliwosc wplywania na moc bierna (pytanie, czy jest uzasadnienie ekonomiczne?). Na wiekszych obiektach z conajmniej dwoma generatorami, zawsze mozna uruchamiac rozna ich liczbe. Inna opcja to stosowac generatory ze zmienna iloscia biegunow + prosta automatyka. Podkreslam, ze kompiluje tutaj tylko moja wiedze teoretyczna, a nie praktyczna.
 
 Minusem sa np ograniczenia w stanach przejsciowych, zwarcia, przepiecia. Przeksztaltniki oparte na IGBT mimo wielu zalet nie maja chyba takich wytrzymalosci jak samo uzwojenie silnika, czy starsze uklady tyrystorowe. Ale MEWki i tak nie pracuja na zwarcia wiec sie je odlacza. Zaleta sa male straty, szybkosc przelaczania, czyli ksztaltowania nieodksztalconego napiecia sinusoidalnego.
 
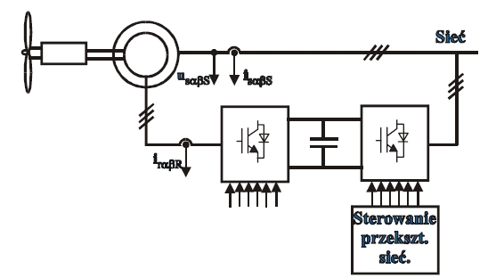
 Na konciec pierscieniowe, czyli asynchroniczne z uzwojonym wirnikiem. Kiedy wepnie sie przeksztaltnik w obwod wirnika, jego dzialanie przypomina generator synchroniczny, przy czym wzbudzenie jest 3-fazowe, a nie stale, o czestotliwosci jako roznica sieciowego i obrotow walu maszyny. Dzieki temu unizalezniamy sie w pewnym sensie od "podazy wody". Jesli wal obraca sie wolniej to generujemy wieksza czestotliwosc na wirniku, zeby miec 50Hz na wyjsciu.
 Stojan maszyny wpiety jest bezposrednio do sieci dzieki czemu moze przyjac wieksze przeciazenia niz sam przeksztaltnik dla klatkowego, czy synchronicznego. Dodatkowo moze pracowac w nadsynchrinizmie oddajac moc jednoczesnie przez stojan jak i wirnik, dzieki czemu moc oddawana bedzie wieksza od nominalnej silnika. Minusem jest wyzsza predkosc czyli potrzebne przelozenia, a zatem pytanie o zastosowalnosc ekonomiczna. Mysle, ze dla wybranych lokalizacji moze to byc jednak bardzo atrakcyjne.
 Zakres zmian predkosci ograniczony zastosowana moca przeksztaltnika, czyli przeksztaltnik 25% mocy silnika, to zmiana predkosci ok 40% (+/-20%), jednak wydaje mi sie, ze w wiekszosci zastosowan wystarczajaca. Tym bardziej, ze sprawnosc kazdego generatora spada z obrotami.
 
 2/ Mysle, ze sie to zmienia w zaleznosci od ukladu sterowania, rozwiazan, sterowania wspolczynnikiem mocy, itp ale chyba nie bedzie gruba przesada, ze wstepnie przyjmie sie liniowa zaleznosc od produkowanej mocy w skali 4% dla przeksztaltnika na pelna moc, i 1% dla MDZ z racji przeksztalcania tylko 1/5-1/4 mocy produkowanej.
 
 Straty sa glownie na elementach polprzewodnikowych: przewodzeniowe, blokowania, itp czyli zalezne od pradu i napiecia. W ogromnym uproszczeniu 2% przetwarzanej mocy na kazdy przeksztaltnik (od strony sieci i od strony maszyny).
 
 3/ Oczywiscie zakladamy wykluczenie mozliwosci pracy silnikowej, zeby zarabiac a nie placic.
 
 Z tego powodu na pierwszy rzut oka w skrajnych przypadkach (malo/duzo wody) goly, czy z przeksztaltnikiem uklady duzo sie nie roznia. Kiedy wody jest duzo, a nie chcemy przekraczac gornego poziomu, to czesc sie zmarnuje. Kiedy jest malo to niewystarczajaco, zeby produkowac energie jesli nie ma przeksztaltnika. I tutaj jest caly trick, ze mozna by dobrac MDZ na wieksza wode, dzieki czemu mialaby wieksza przepustowosc i przy duzych wodach mniej poszloby bokiem, a jednoczesnie przy malych wodach ciagle mozna by produkowac energie kiedy goly asynchron juz jest bezproduktywny. Dlatego mysle, ze najlepsze malzenstwo bylby ze slimakiem archimedesa, ktory przy malych przeplywach ciagle utrzymuje duza sprawnosc. Takze im mniejsza retencja tym bardziej by sie sprawdzal bo plynnie reagowalby, na zmienne przeplywy, czyli zmniejszenie przestojow, strat laczeniowych, oddzialywania na siec, itp.
 
 Mnie jeszcze interesuje zachowanie standardowych systemow automatyki w roznych stanach awaryjnych sieci, czy turbinie. I wtedy mozna by popatrzec jakie korzysci daje uklad z przeksztaltnikiem.
 
 Nie mam pod reka wykresu sprawnosci. W razie potrzeby mysle, ze moglbym zdobyc dane. Moze da sie dogrzebac cos na necie - bedzie to charakterystyka silnika pierscieniowego w polaczeniu z konkretnym typem sterowania maszyna.
 
 
 
 Dziekuje za pokladane zaufanie, jednak powtarzam, ze nie siedze w temacie juz od jakiegos czasu i dlatego rezerwuje sobie prawo do mylenia sie. Jednak ogolny obraz powinien byc bliski prawdzie. Natomiast mam kontakt z ludzmi ktorzy sie tym zajmuja profesjonalnie i gdyby pojawila sie jakas okazja wspolpracy to resztki mojej wiedzy teoretycznej beda poparte istniejaca technologia. Sam mam duzo pytan. Chcialbym zwiedzic kilka obiektow w wolnym czasie, zeby sie zorientowac w charakterystyce tego sektora i przekonac czy jest jakas niewykorzystana nisza. Sporo juz sie dowiedzialem z forum i mam nadzieje, ze jeszcze pare ciekawostek jest do odkrycia.
 
 Co do konsorcjum to wlasnie sa jakies wizje na przyszlosc?
 
 
 
 Toldi apropo wiatrakow. Zalaczylem schemat. To samo byloby dla MEW. Nie okresla on rodzaju sterowania, ktorego jest co najmniej kilka. MDZ jest wyjatkowo przydatna dla duzych wiatrakow, ze wzgledu na duza zmiennosc wiatru i wszystkie cechy o ktorych wczesniej wspominalem. Uzywa ich chocby Gamesa w Margoninie (najwieksza farma w Polsce - 120MW). Duze farmy maja tez warunki pracy na zwarcie. Co do malych (ale przynajmniej 40kW) to mam kolege ktory pracuje nad tematem. Jesli chce sie opracowac calosc to raczej duze koszty ze wzgledu na skrzydla. I w Polsce ludzie raczej sprowadzaja niemieckie z demontazu, zamiast placic za nowe. A niemcy instaluje w tych samych miejscach nowe lepsze rozwiazania.
 
 
 
						
							| Załączniki: |  
								|  mdz.jpg [ 50.37 KiB | Przeglądane 11779 razy ]
 
 |  |